Err

Phone : +33 3 27 33 20 20  | Expert in ultralight aviation since 1996

Parts Mini 4

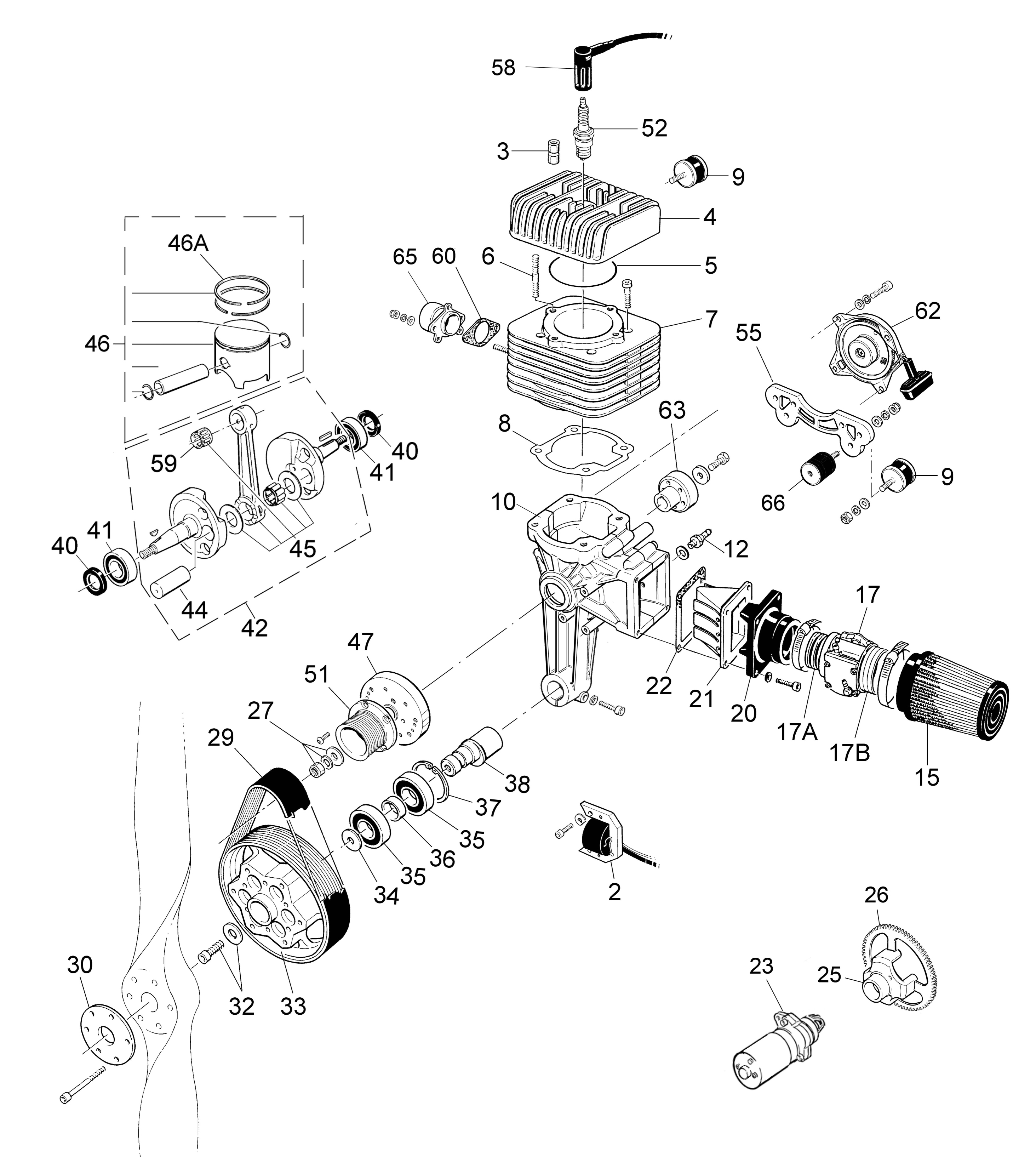
Exhaust gasket Spark plug Kit screws for head Set of silent-block Cylinder head Cylinder head gasket MINI 4 Kit screws for cylinder Cylinder Exhaust gasket Starter hub Cylinder head gasket Crank-case Starter hub Vacum-operated screw Reed valve gasket Reed valve Carburetor rubber manifold Walbro WB 37/C carburator Air filter's support Air filter Aluminium manifold Eccentric pinion Electric ignition and coil Pulley seeger Kit bearings for big pulley Pulley's bearing spacer Kit bearings for big pulley Pulley spacer Little pinion for reduction Screw and wascher for pinion Fire coil Poly-V belt Driven pulley Screw for big pulley Aluminium plate and screws Manual starter Starter hub Electric starter Electric starter Electric starter Complete piston Two rings Kit seals Kit bearings for crank-case Exhaust gasket Complete piston Complete cranck shaft Kit bearings for crank-case Kit seals
(Code: 76120/15)
48.00 €
(Code: 76120/46-A)
Complete piston
160.96 €
Mini 4 ‘A’ piston, provided with sections, piston axis, clips. If ordered separately from the cylinder, please confirm the letter indicated on the piston head.
(Code: 76120/46-B)
160.80 €
Mini 4 ‘B’ piston, provided with sections, piston axis, clips. If ordered separately from the cylinder, please confirm the letter indicated on the piston head.
(Code: 76120/46-C)
160.80 €
Mini 4 ‘C’ piston, provided with sections, piston axis, clips. If ordered separately from the cylinder, please confirm the letter indicated on the piston head.
(Code: 76120/45)
74.40 €
Connecting rod Mini 4 with bearing without axis
(Code: 76120/10)
231.60 €
(Code: 76120/07)
Cylinder
206.40 €
(Code: 76120/04)
Cylinder head
67.20 €
(Code: 76120/33)
Driven pulley
105.60 €
Secundary pulley Mini 4. Precise the diam of the pulley while ordering
(Code: 76120/38)
Eccentric pinion
38.40 €
(Code: 76120/23)
Electric starter
175.20 €
Electric starter
(Code: 76120/25)
57.60 €
(Code: 76120/59)
Exhaust gasket
5.28 €
(Code: 76120/58)
Exhaust gasket
5.04 €
(Code: 76120/60)
2.88 €
(Code: 76120/54)
Exhaust system
196.80 €
Exhaust system
(Code: 76120/54A)
40.80 €
(Code: 76120/54B)
48.00 €
Exhaust noise killer (blue)
(Code: 76120/02)
Fire coil
50.45 €
(Code: 76120/01)
126.00 €
(Code: 76120/41)
Kit bearings for crank-case
50.40 €
2 crankshafts rolling system: one 4204 and one 6204
(Code: 76120/06)
Kit screws for cylinder
12.01 €
Cylinder / yoke stud
(Code: 76120/40)
Kit seals
19.22 €
2 Spy joints set: 1 30x42x7 and the othr one 20x35x6
(Code: 76120/51)
Little pinion for reduction
45.60 €
Primary pulley - Precise the model while ordering
(Code: 76120/62)
Manual starter
57.60 €
(Code: 76120/17C)
1.20 €
(Code: 76120/28)
Poly-V belt
30.66 €
(Code: 76120/29)
Poly-V belt
28.82 €
Poly-V J457 14 tooth
(Code: 76120/37)
Pulley seeger
1.92 €
(Code: 76120/34)
Pulley spacer
3.60 €
(Code: 76120/21)
45.60 €
(Code: 76120/52)
Spark plug
3.86 €
(Code: 76120/26)
Starter crown MINI 4
57.60 €
Starter crown for motor Simonini Mini 4
(Code: 76120/63)
Starter hub
57.60 €
(Code: 76120/64)
Starter hub
40.80 €
Manual launcher platin support Mini 4
(Code: 76120/65)
Starter hub
16.80 €
 
Speed
Speed of operations,
speed of customer service
Support
Technical support and
personalized advices
Satisfaction
Customer review
4,8 / 5
Expert
Expert in ultralight aviation
since 1996