Err

Phone : +33 3 27 33 20 20  | Expert in ultralight aviation since 1996

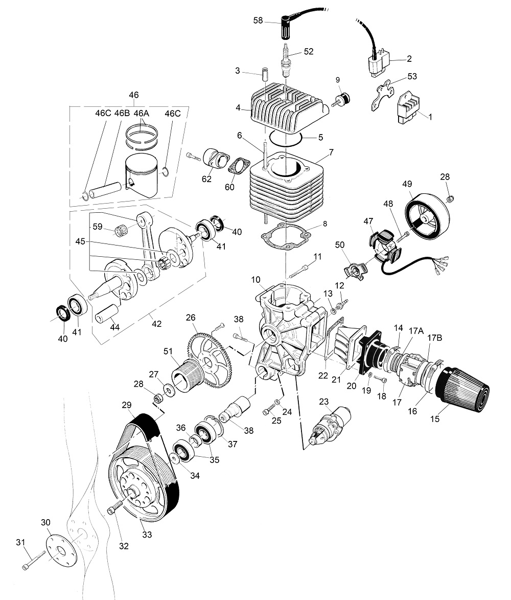
Parts Mini 2 & 2plus

Cap of spark plug Mini 2 plus Spark plug for Mini 2 Plus NGKBR10ES Transducer (ignition coil) Aluminium support for coil rectifier / regulator Set of brace M8 Shock-mount MF M8 x A40 x B28 Cylinder head Mini 2 Plus O-ring for head cylinde Mini 2 cylinder after n°3862 Kit of stud for head cylinder Exhaust gasket MINI 2 and MINI 4 Exhaust manifold Mini2 Piston axis Mini 2 plus Peer of segment mini 2 plus Piston, piston ring, clip axis Needle bearing Set of 2 gaskets SPY MINI 2 Set of bearings for crankshaft axis Link mini 2 plus + bearings Set of bearings for crankshaft axis Set of 2 gaskets SPY MINI 2 Cylinder gasket Mini 2 and Mini 4 Pack of M6 screws for crankcase Crankshaft with link + bearings Nut for primary pulley Wheel Mini 2 Plus Screw for stator Mini 2 plus Stator for mini 2 plus Support plate for stator Mini 2 plus depression plud M6x6 Gasket for depression plug Air filter Mini 2 and Mini4 Support for air filter Carburettor WALBRO WB 37 Brace for carburettor WB 32 pipe clamp Set of Screws for admission manifol Manifold carburetor support Valve admission box Gasket valve admission box Crankcase Mini 2 Plus Eccentrix secondary axis Circlips secondary pulley Set of bearings secondary pulley Distance ring Electric starter SIM 3000W Dx16 Eccentrix secondary axis Starter crown Pulley for reducer Mini 2 plus Washer for primary pulley Nut for primary pulley Belt Poly-V J508 14 teeth Secondary pulley Mini 2 plus Eccentric setting screw Flabby propeller Mini 2
(Code: 76100/17A)
Brace for carburettor WB 32
26.40 €
Brace for carburetor WB 32
(Code: 76100/65)
Carbon valve for valve box
7.20 €
Carbon valve for admission flap box
(Code: 76100/67)
276.00 €
Carbon valve for admission flap box
(Code: MINI2EVO/46)
170.40 €
Complete piston ang rings for Simonini MINI 2 EVO. Specify the dimension when ordering (Letter A, B or C)
(Code: MINI2EVO/59)
21.60 €
Connecting rod cage 18 x 22 x 22 mm
(Code: 76100/42)
232.80 €
Crankshaft with full connecting rod from 42 to 44
(Code: MINI2EVO/08)
Cylinder gasket
3.14 €
Cylinder gasket for engine Mini 2 Evo
(Code: MINI2EVO/05)
Cylinder head gasket
2.88 €
Cylinder head gasket for engine Mini 2 Evo
(Code: MINI2EVO/07)
242.40 €
Cylinder for engine Mini 2 Evo
(Code: 76100/12)
depression plud M6x6
4.80 €
Underpressure grip M6 x 6 for Mini2 and Mini4 engine
(Code: 76100/34)
Distance ring
2.88 €
(Code: 76100/23)
Electric starter SIM 300W
175.24 €
300W SIM electric starter for Mini2PLUS, Mini2EVO and Simonini 250 engines. Only compatible with SIM crown wheel reference 76100/26
(Code: 76100/64)
3.12 €
Mini 2 exhaust collector - Each
(Code: 76100/54)
206.40 €
Full exhaust system Mini 2 Plus: Bend, main body, noise killer with clips and springs
(Code: 76100/22)
Gasket valve admission box
2.40 €
Admission flap box joint (A4 fixation)
(Code: 76100/05)
Kit of gasket Mini 2 plus
11.04 €
Kit joints Mini 2 Plus, cylinder heads gaskets, cylinder, admission and exhaust joints
(Code: 76100/07B)
Mini 2 cylinder after n°3862
206.40 €
Cylinder for Simonini mini 2 plus engine which serial number is bigger than 3862, this one doesn’t fit a channel for the cylinder head.
(Code: 76100/59)
7.20 €
Needle cage 16x20x20 for Mini 2 Plus, also fits for Mini 4
(Code: MINI2EVO/28)
1.20 €
Nut for pinion and fly-wheel 12 x 1.25 of engine Mini 2 Evo
(Code: 76100/14)
2.89 €
(Code: 76100/46)
Piston, piston ring, clip axis
163.20 €
66 mm diam piston, delivered with axis and clips section for Mini 2 plus engine. Precise the letter indicated on the cylinder while ordering. A: piston diam: 66,34 mm and cylinder diam: 66,40 mm. B: piston diam: 66,35 mm and cylinder diam: 66,41mm
(Code: 76100/51)
Pulley for reducer Mini 2 plus
45.60 €
Pulley for reducer Mini 2 Plus
(Code: 76100/01)
rectifier / regulator
38.08 €
Rectifier / regulator for MINI2PLUS/01 or MINI3
(Code: MINI2EVO/01)
33.60 €
(Code: 76100/33)
Secondary pulley Mini 2 plus
105.60 €
Secundary pulley Mini 2 Plus
(Code: 76100/35)
Set of bearings secondary pulley
21.60 €
Secundary pulley bearing set 6204 2RSH
(Code: MINI2EVO/03)
7.20 €
(Code: 76100/03)
Set of brace M8
7.20 €
Set of brace M8
 
Speed
Speed of operations,
speed of customer service
Support
Technical support and
personalized advices
Satisfaction
Customer review
4,8 / 5
Expert
Expert in ultralight aviation
since 1996